产品中心

MTM8620 双通道 13A 或单通道 26A DC/DC 稳压器
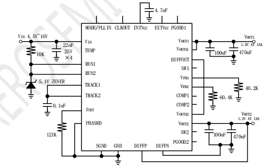
MTM8620 是一款双通道 13A 或单通道26A
输出的 DC/DC 开关电源。封装中内置了开关控
制器、功率 FET、电感和所有的配置组件。输
入电压范围为 4.5V 至 16V,支持两个范围均为
0.6V 至 5.5V 的输出(由单个外部电阻来设定)。
该器件的高效率设计能够为每个输出提供 13A
的连续电流。仅需少量的输入和输出电容。
该器件支持频率同步、多相位操作、突
发模式操作以及用于电源轨排序的输出电压
跟踪功能。采用高开关频率和电流模式控制,
具有快速瞬态响应。
MTM8620 具有输出过压和过流保护。该
电源模块采用 15mm×15mm ×5.01mm BGA 封
装和 15mm×15mm ×4.41mm LGA 封装。
特点
⚫ 完整的独立型双通道输出电源
⚫ 单通道26A或双通道13A输出
⚫ 宽输入电压范围: 4.5V to 16V
⚫ 输出电压范围: 0.6V to 5.5V
⚫ 差分远端采样放大器
⚫ 电流模式控制/快速瞬态响应
⚫ 可调开关频率
⚫ 过流保护
⚫ 多个器件实现多相均流
⚫ 可选择的突发模式
⚫ 软启动和电压跟踪
⚫ 输出过压保护
⚫ 15mm×15mm×5.01mm BGA 封装
⚫ 15mm×15mm×4.41mm LGA 封装
应用
⚫ 存储和ATCA卡
⚫ 电信和网络设备
⚫
工业和医疗设备的分布式直流电源系统

客服邮箱
在线客服
扫描关注信立诚微信
扫描关注信立诚微博
